Zhejiang Sehnaider Electric Co., Ltd.
Zhejiang Sehnaider Electric Co., Ltd.
Продукція
BH-0.66-30 струмових трансформаторів
  • BH-0.66-30 струмових трансформаторівBH-0.66-30 струмових трансформаторів

BH-0.66-30 струмових трансформаторів

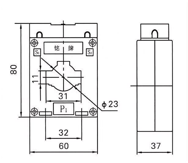
Трансформатори струму BH-0.66-30 (CTS)-це точні інструменти, розроблені для точного вимірювання струму та моніторингу в електричних системах низької напруги. З номінальною ізоляційною напругою 0,66 кВ ці трансформатори ідеально підходять для управління енергією, захисного релетизації та вимірювання застосувань.

Особливості:

Висока точність: відповідає стандартам IEC 61869, забезпечуючи надійну ефективність для виставлення рахунків та моніторингу.

Компактна конструкція: будівництво простору для легкої установки в тісних просторах.

Широкий поточний діапазон: первинний струм до 30a, що підходить для різноманітних промислових та комерційних навантажень.

Міцні матеріали: надійний корпус забезпечує стійкість до факторів навколишнього середовища та механічного стресу.

Відповідність безпеки: BH-0.66-30 Поточні трансформатори, що відповідають міжнародним сертифікам з безпеки та ефективності.


Заявки:

Вимірювання енергії в системах розподілу електроенергії.

Захист перевищення потоків у вимикачах та реле.

Інтеграція з розумними сітками та рішеннями моніторингу на основі IoT.

Технічні характеристики:

Номінальна напруга: 0,66 кВ

Частота: 50/60 Гц

Клас точності: 0,5, 1,0 (настроюється)

Навантаження: відповідно до вимог клієнта


Основні технічні параметри

Оцінений первинний
струм (a)
Точність
заняття
поєднання
Оцінений вторинний вихід (VA) Є тепловим струмом (ka) Оцінений динамічний струм (KA)
0,2 (S) 0.2 0.5 10p10
5-40 0,2/10p10
0,5/10p10
/ 10 10 15 90lin 220lin
5-40 100lin 250lin
5-40 20 50
5-40
5-40 36 90
10
5-40 45 100
5-40 56 100
5-40
5-40 80 110
5-40 100 110


Гарячі теги: BH-0.66-30 струмових трансформаторів
Надіслати запит
Контактна інформація
  • Адреса

    Промислова зона Xiangyang, Юекінг, Чжецзян, Китай

  • Електронна пошта

    river@dahuelec.com

Якщо у вас є якісь розслідування про котирування чи співпрацю, будь ласка, не соромтеся надіслати нам електронну пошту на river@dahuelec.com або використовуйте наступну форму запиту. Наш торговий представник зв’яжеться з вами протягом 24 годин. Дякуємо за інтерес до наших продуктів.
X
Ми використовуємо файли cookie, щоб запропонувати вам кращий досвід перегляду, аналізувати трафік сайту та персоналізувати вміст. Використовуючи цей сайт, ви погоджуєтеся на використання файлів cookie. Політика конфіденційності
Відхиляти прийняти