Zhejiang Sehnaider Electric Co., Ltd.
Zhejiang Sehnaider Electric Co., Ltd.
Продукція
BH-0,66-60 Стріни трансформатори
  • BH-0,66-60 Стріни трансформаториBH-0,66-60 Стріни трансформатори

BH-0,66-60 Стріни трансформатори

Трансформатори BH -0.66-60 Приймають полум'я ПК - залегливий матеріал, а магнітний - провідний матеріал - це відпалене тороїдальне ядро для забезпечення точності продукту на рівнях 0,2 та 0,5. Для ультра -високої точності, таких як 0,2 та 0,5 с, лише суперпровідні магніти можуть відповідати таким вимогам точності.

Трансформатори струму BH-0,66-60 застосовуються до систем електроенергії з номінальною частотою 50 Гц та номінальною напругою 0,66 кВ, 0,69 кВ, 0,5 кВ і нижче для вимірювання електроенергії, вимірювання струму та захисту реле.


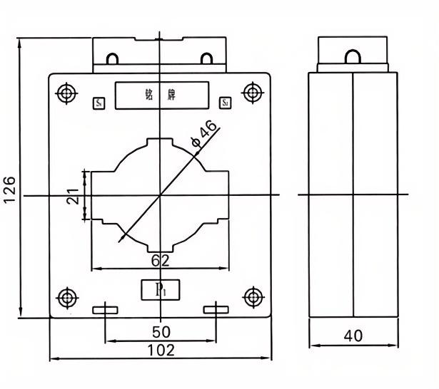
Цей поточний трансформатор Dahu призначений для використання в приміщенні, встановлений всередині шаф та коробки. Він оснащений новою конструкцією магнітних ланцюгів, вдосконаленими методами компенсації, вишуканими методами обробки, безпечною та надійною продуктивністю та невеликим та красивим зовнішнім виглядом.


Зовнішня оболонка виготовлена з високого - силового полум'я - відсталого ПК з повністю вкладеною структурою та рейтингом полум'я - відстарента V1. Внутрішнє ядро виготовлене з високоякісних зернових - орієнтованих кремнієвих сталевих листів. Діаметр дроту суворо вибирається відповідно до економічної щільності струму для забезпечення меншого підвищення температури. Завдяки вдосконаленому та надійному тестувальному обладнанню він забезпечує дотримання стандартів якості.


Він має типи квадратних і круглих отворів, придатні для проникнення в одинарне кореневе або множинного кореневого кабелю або проникнення в кореневу шини. Він має повну серію продуктів, широкий спектр технічних характеристик та широкий діапазон додатків.


Заявки

Моніторинг енергії та вимірювання

Захист схеми та координація реле

Промислова автоматизація та системи розумної сітки

Технічні характеристики

Номінальна напруга: 0,66 кВ

Частота: 50/60 Гц

Клас точності: 0,5, 1,0 (настроюється)

Рівень ізоляції: 3 кВ/хв


Основні технічні параметри

Оцінений первинний
струм (a)
Точність
заняття
поєднання
Оцінений вторинний вихід (VA) 1S тепловий струм (Ка) Оцінений динамічний струм (KA)
0,2 (S) 0.2 0.5 10p10
5-40 0,2/10p10
0,5/10p10
/ 10 10 15 90lin 220lin
5-40 100lin 250lin
5-40 20 50
5-40
5-40 36 90
10
5-40 45 100
5-40 56 100
5-40
5-40 80 110
5-40 100 110


Гарячі теги: BH-0,66-60 Стріни трансформатори
Надіслати запит
Контактна інформація
  • Адреса

    Промислова зона Xiangyang, Юекінг, Чжецзян, Китай

  • Електронна пошта

    river@dahuelec.com

Якщо у вас є якісь розслідування про котирування чи співпрацю, будь ласка, не соромтеся надіслати нам електронну пошту на river@dahuelec.com або використовуйте наступну форму запиту. Наш торговий представник зв’яжеться з вами протягом 24 годин. Дякуємо за інтерес до наших продуктів.
X
We use cookies to offer you a better browsing experience, analyze site traffic and personalize content. By using this site, you agree to our use of cookies. Privacy Policy
Reject Accept