Zhejiang Sehnaider Electric Co., Ltd.
Zhejiang Sehnaider Electric Co., Ltd.
Продукція
LMZJ1-0.5-80 Трансформатори струму
  • LMZJ1-0.5-80 Трансформатори струмуLMZJ1-0.5-80 Трансформатори струму

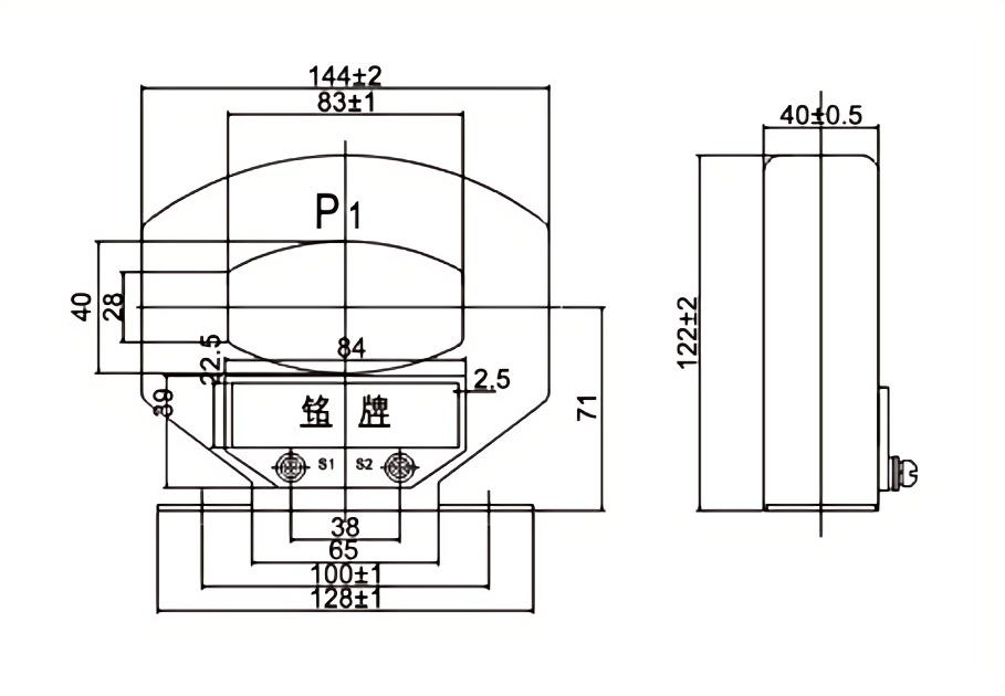
LMZJ1-0.5-80 Трансформатори струму

LMZJ1-0.5-80 Трансформатори струму є точними для точних застосувань вимірювання та захисту в електричних системах. З номінальним діапазоном струму 0,5-80A, ці трансформатори забезпечують надійну та точну продуктивність у різних промислових умовах.

Трансформатори струму LMZJ1-0.5-80 відомі своєю високою точністю, помилкою кута низької фази та відмінною лінійністю, забезпечуючи точне вимірювання рівнів струму. Ці поточні трансформатори розроблені для компактних та простих у встановленні, що робить їх придатними для широкого спектру конфігурацій електричної системи. Побудований з високоякісними матеріалами, LMZJ1-0.5-80 Трансформатори струму довговічні та забезпечують довгострокову стабільність для безперервної роботи. Довіра LMZJ1-0.5-80 Трансформаторів струму для точного вимірювання струму та надійного захисту ваших електричних систем.


Специфікація

Номінальна напруга 500 В
Оцінка частоти 50 Гц
Оцінений первинний струм 10a, 12.5a, 15a, 20a, 25a .., 6000a
Оцінений вторинний струм 5а; 1А
Вторинна потужність навантаження
фактор
0,8 (затримка)
Оцінений вихід 2,5va, 5Va, 10Va, 20Va
Точність 0,2; 0,2s; 0,5; 0,5
Стійкість до ізоляції Ізоляційна стійкість первинної обмотки до вторинної обмотки
і до Землі ≥20 МОм
Частота живлення
протистояти напрузі
Витримувати дійсне значення первинної обмотки до вторинної обмотки
і на землю ≥ 3kv

Гарячі теги: LMZJ1-0.5-80 Трансформатори струму
Надіслати запит
Контактна інформація
  • Адреса

    Промислова зона Xiangyang, Юекінг, Чжецзян, Китай

  • Електронна пошта

    river@dahuelec.com

Якщо у вас є якісь розслідування про котирування чи співпрацю, будь ласка, не соромтеся надіслати нам електронну пошту на river@dahuelec.com або використовуйте наступну форму запиту. Наш торговий представник зв’яжеться з вами протягом 24 годин. Дякуємо за інтерес до наших продуктів.
X
We use cookies to offer you a better browsing experience, analyze site traffic and personalize content. By using this site, you agree to our use of cookies. Privacy Policy
Reject Accept